new
Цифровой товар

Чертеж клапана 14с63бк

129.00 руб.

Клапан 14с63бк: техническая документация и область применения

  • Автор: BASEcad
  • Артикул: АТХ_0033
  • ПО: AutoCAD 2010, КОМПАС 3D v20, MS Visio 2021
  • Форматы: dwg, frw, vsdx
  • Теги: арматура_КИПиА
Описание Характеристики Отзывы
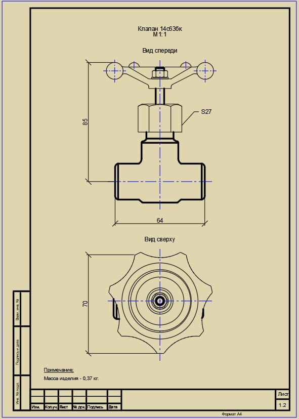
  • Графическое представление конструкции клапана 14с63бк

    Представлен чертёж муфтового вентиля модели 14с63бк, выполненный в натуральном масштабе (1:1). Документация включает два основных ракурса, позволяющих полноценно оценить конструктивные особенности изделия:

    Виды, представленные на чертеже:

    • фронтальный вид — даёт чёткое представление о лицевой части вентиля и ключевых элементах управления;
    • вид в плане (сверху) — раскрывает особенности верхней части конструкции и схему расположения присоединительных элементов.

    Назначение и технические характеристики

    Модель 14с63бк представляет собой стальной муфтовый вентиль запорного типа. Изделие входит в категорию общепромышленной трубопроводной арматуры — устройств, предназначенных для контроля и перекрытия потока рабочей среды в трубопроводах.

    Сферы эксплуатации

    Благодаря надёжности и долговечности конструкции, вентиль активно используют в самых разных отраслях. Ключевые области применения:

    • промышленные предприятия различного профиля;
    • объекты жилищно‑коммунального хозяйства;
    • инженерные сети, требующие надёжных запорных механизмов.

    Форматы файлов:

    • AutoCAD 2D-чертеж .dwg (версия 2010 и выше);
    • КОМПАС 3D фрагмент .frw (версия v20 и выше, импортированный из AutoCAD 2010).
    • MS Visio документ .vsdx (версия 2021 и выше, импортированный из AutoCAD 2010).

     


    Просмотреть страницу – «Как скачать?»



    Подписывайтесь на рассылку BASEcad и получайте файлы бесплатно!


     

  • Формат файла: AutoCAD 2010 (dwg) , MS Visio (vsdx) , КОМПАС v20 (frw)
    Тип файла: технический чертеж
  • Отзывов - 0
    Оставить отзыв
    Войдите или зарегистрируйтесь, чтобы получить возможность оставлять отзывы на сайте.
Советуем также посмотреть
Нужна консультация? Задайте вопрос нашему специалисту!
Задать вопрос
Имя отправителя *:
E-mail отправителя *:
Тема письма:
Текст сообщения *:
Оценка сайта:
Код безопасности *:

Имя отправителя *:
E-mail отправителя *:
Тема письма:
Текст сообщения *:
Оценка сайта:
Код безопасности *: