new
Цифровой товар

Чертежи технических манометров

289.00 руб.

Технические манометры МП2У, МП3У, МП4У: комплект чертежей в форматах AutoCAD, КОМПАС 3D, Visio

  • Автор: BASEcad
  • Артикул: АТХ_0003
  • ПО: AutoCAD 2010, КОМПАС 3D v20, MS Visio 2021
  • Форматы: dwg, frw, vsdx
  • Теги: датчики
Описание Характеристики Отзывы
  • Технические манометры: комплект чертежей с детализацией конструкций

    В нашем каталоге представлены подробные чертежи технических манометров трёх серий, обеспечивающих точное измерение давления в промышленных системах:

    • модель МП2У;
    • модель МП3У;
    • модель МП4У.

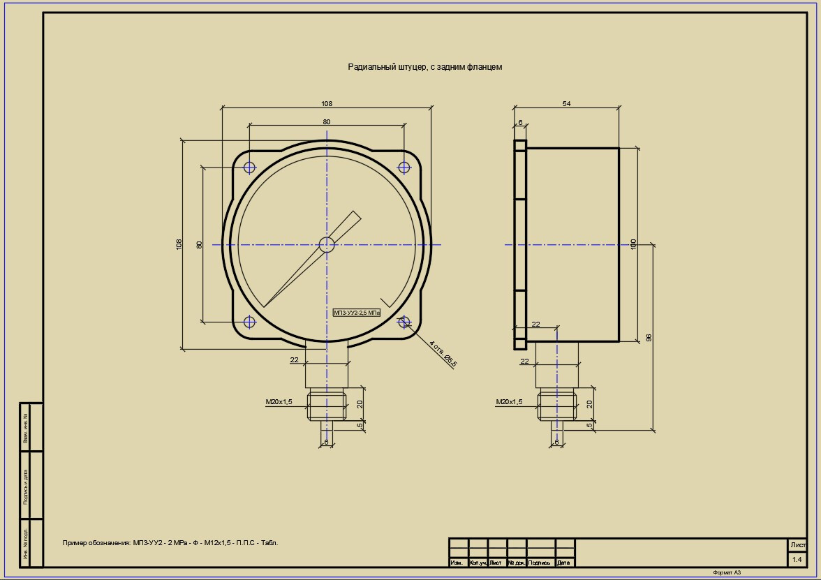
    Варианты исполнения штуцеров

    Каждая из серий манометров доступна в нескольких конструктивных модификациях — выбор зависит от особенностей монтажа и требований к установке оборудования. Возможны следующие варианты расположения штуцера и комплектации фланцем:

    • радиальный штуцер без фланца — компактное решение для прямого подключения в линию;
    • осевой штуцер без фланца — оптимален для монтажа на панелях и щитах с фронтальной подводкой;
    • радиальный штуцер с задним фланцем — обеспечивает дополнительную жёсткость крепления и устойчивость к вибрациям;
    • осевой штуцер с задним фланцем — подходит для ответственных участков с повышенными требованиями к надёжности фиксации.

    Особенности чертежей манометров

    Комплект чертежей выполнен с максимальной детализацией для удобства проектирования и монтажа. Чертежи содержат:

    • масштаб 1:1 — позволяет точно оценить габариты и сопоставить с реальным изделием;
    • полные размеры всех элементов конструкции — исключают необходимость дополнительных замеров и расчётов;
    • прорисовку резьбы — даёт чёткое представление о типе и параметрах резьбового соединения;
    • два основных вида: вид спереди и вид сбоку — обеспечивают полное понимание геометрии и конструктивных особенностей манометра.

    Форматы файлов:

    • AutoCAD 2D-чертеж .dwg (версия 2010 и выше);
    • КОМПАС 3D фрагмент .frw (версия v20 и выше, импортированный из AutoCAD 2010).
    • MS Visio документ .vsdx (версия 2021 и выше, импортированный из AutoCAD 2010).

     


    Просмотреть страницу – «Как скачать?»


  • Формат файла: AutoCAD 2010 (dwg) , MS Visio (vsdx) , КОМПАС v20 (frw)
    Тип файла: чертеж ЕСКД
  • Отзывов - 0
    Оставить отзыв
    Войдите или зарегистрируйтесь, чтобы получить возможность оставлять отзывы на сайте.
Советуем также посмотреть
Нужна консультация? Задайте вопрос нашему специалисту!
Задать вопрос
Имя отправителя *:
E-mail отправителя *:
Тема письма:
Текст сообщения *:
Оценка сайта:
Код безопасности *:

Имя отправителя *:
E-mail отправителя *:
Тема письма:
Текст сообщения *:
Оценка сайта:
Код безопасности *: