new
Цифровой товар

Чертежи кольцевых труб

239.00 руб.

Кольцевые трубы для контрольно измерительных приборов: техническая документация

  • Автор: BASEcad
  • Артикул: АТХ_0031
  • ПО: AutoCAD 2010, КОМПАС 3D v20, MS Visio 2021
  • Форматы: dwg, frw, vsdx
  • Теги: арматура_КИПиА
Описание Характеристики Отзывы
  • Особенности чертежей кольцевых труб и масштаб исполнения

    Комплект конструкторской документации включает подробные чертежи кольцевых труб, предназначенных для использования в системах контрольно‑измерительных приборов (КИПиА). Все графические материалы выполнены в натуральном масштабе 1:1, что обеспечивает максимальную точность при изучении конструктивных особенностей изделий и их последующем изготовлении.

    Состав комплекта чертежей

    В набор технической документации входят следующие чертежи:

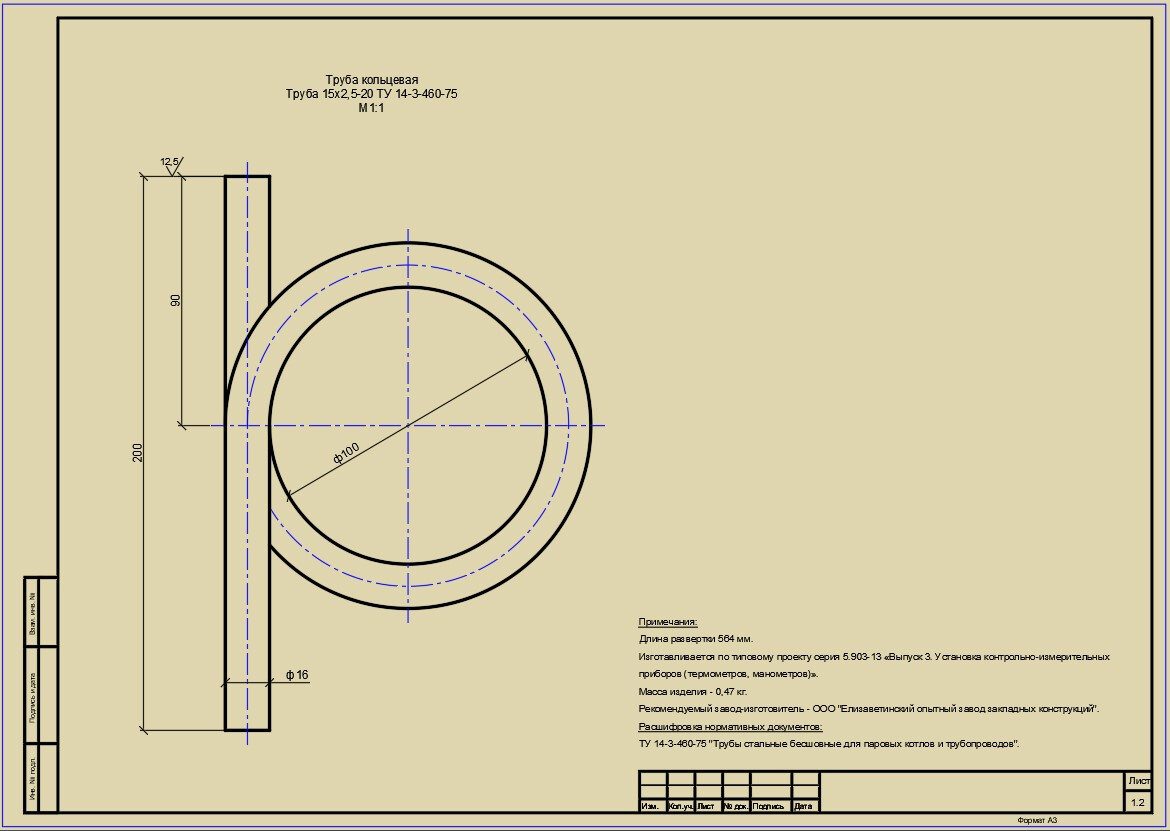
    Чертеж кольцевой трубы 15х2,5‑20

    Чертеж демонстрирует базовую конструкцию кольцевой трубы с указанием всех ключевых размеров: наружного диаметра 15 мм, толщины стенки 2,5 мм и условного прохода 20 мм. Чертёж позволяет детально оценить геометрию изделия и спланировать его интеграцию в измерительные системы.

    Чертеж кольцевой трубы с коленом 15х2,5‑20

    Чертеж представляет модификацию базовой конструкции — кольцевую трубу с коленом, которая используется в случаях, требующих изменения направления трубопровода. На чертеже отражены:

    Нормативная база и материалы изготовления

    Производство кольцевых труб регламентируется типовым проектом серия 5.903‑13, выпуск 3 «Установка контрольно‑измерительных приборов (термометров, манометров)». Данный документ определяет требования к монтажу и эксплуатации труб в составе измерительных систем.

    В качестве основного материала для изготовления труб применяется сталь, соответствующая техническим условиям ТУ 14‑3‑460‑75 «Трубы стальные бесшовные для паровых котлов и трубопроводов».

    Форматы файлов:

    • AutoCAD 2D-чертеж .dwg (версия 2010 и выше);
    • КОМПАС 3D фрагмент .frw (версия v20 и выше, импортированный из AutoCAD 2010).
    • MS Visio документ .vsdx (версия 2021 и выше, импортированный из AutoCAD 2010).

     


    Просмотреть страницу – «Как скачать?»



    Подписывайтесь на рассылку BASEcad и получайте файлы бесплатно!


     

  • Формат файла: AutoCAD 2010 (dwg) , MS Visio (vsdx) , КОМПАС v20 (frw)
    Тип файла: технический чертеж
  • Отзывов - 0
    Оставить отзыв
    Войдите или зарегистрируйтесь, чтобы получить возможность оставлять отзывы на сайте.
Советуем также посмотреть
Нужна консультация? Задайте вопрос нашему специалисту!
Задать вопрос
Имя отправителя *:
E-mail отправителя *:
Тема письма:
Текст сообщения *:
Оценка сайта:
Код безопасности *:

Имя отправителя *:
E-mail отправителя *:
Тема письма:
Текст сообщения *:
Оценка сайта:
Код безопасности *: