new
Цифровой товар

Чертежи соединений НСВ

239.00 руб.

Техническая документация на ниппельные ввертные соединения НСВ

  • Автор: BASEcad
  • Артикул: АТХ_0029
  • ПО: AutoCAD 2010, КОМПАС 3D v20, MS Visio 2021
  • Форматы: dwg, frw, vsdx
  • Теги: арматура_КИПиА
Описание Характеристики Отзывы
  • Обзор комплекта чертежей соединений НСВ

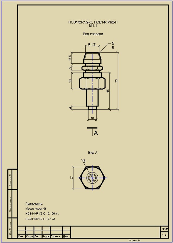
    Комплект конструкторской документации разработан для ниппельных ввертных соединений типа НСВ, соответствующих установленным техническим условиям. Материалы обеспечивают полное визуальное и размерное представление изделий — это необходимо для корректного подбора, монтажа и эксплуатации компонентов в инженерных системах.

    Содержание графических материалов

    Каждый чертёж в наборе включает:

    • детальное графическое изображение соединения с проработкой всех конструктивных элементов;
    • точные размерные параметры, необходимые для проектирования и сборки;
    • два основных ракурса: вид спереди и вид сверху — они позволяют полноценно оценить форму и особенности конструкции.

    Охватываемые типоразмеры соединений

    Документация охватывает серию унифицированных ниппельных ввертных соединений НСВ. В комплект входят чертежи для следующих модификаций:

    Соединения с метрической резьбой М20:

    • НСВ14хМ20‑С;
    • НСВ14хМ20‑Н.

    Соединения с трубной цилиндрической резьбой G 1/2:

    • НСВ14хG1/2‑С;
    • НСВ14хG1/2‑Н.

    Соединения с конической трубной резьбой R 1/2:

    • НСВ14хR1/2‑С;
    • НСВ14хR1/2‑Н.

    Соединения с конической дюймовой резьбой K 1/2:

    • НСВ14хK1/2‑С;
    • НСВ14хK1/2‑Н.

    Буквенные обозначения в маркировке («С» и «Н») указывают на исполнение соединения, что позволяет точно подобрать компонент под конкретные условия эксплуатации и требования проекта.

    Форматы файлов:

    • AutoCAD 2D-чертеж .dwg (версия 2010 и выше);
    • КОМПАС 3D фрагмент .frw (версия v20 и выше, импортированный из AutoCAD 2010).
    • MS Visio документ .vsdx (версия 2021 и выше, импортированный из AutoCAD 2010).

     


    Просмотреть страницу – «Как скачать?»



    Подписывайтесь на рассылку BASEcad и получайте файлы бесплатно!


     

  • Формат файла: AutoCAD 2010 (dwg) , MS Visio (vsdx) , КОМПАС v20 (frw)
    Тип файла: технический чертеж
  • Отзывов - 0
    Оставить отзыв
    Войдите или зарегистрируйтесь, чтобы получить возможность оставлять отзывы на сайте.
Советуем также посмотреть
Нужна консультация? Задайте вопрос нашему специалисту!
Задать вопрос
Имя отправителя *:
E-mail отправителя *:
Тема письма:
Текст сообщения *:
Оценка сайта:
Код безопасности *:

Имя отправителя *:
E-mail отправителя *:
Тема письма:
Текст сообщения *:
Оценка сайта:
Код безопасности *: